Датчик наружной температуры воздуха

W201 (190), W202, W203, W204

Модератор: Gonza

Правила форума
Внимание!
В этом разделе общаемся только по техническим вопросам для Mercedes-Benz C-class
Ответить
kir_f
Новичок
Сообщения: 9
Зарегистрирован: 14.04.2013 09:25
Город: Minsk
Сейчас езжу на: C220/ w203

Датчик наружной температуры воздуха

Сообщение kir_f » 16.06.2013 14:07

В разъеме бампера с пассажирской стороны пусто, На приборке +85 (обрыв цепи). Купил датчик в надежде спокойно воткнуть его в на место, но не обнаружил проводов к нему -( принял решение размотать косу проводов до половины дошел нет ничего . -(

Может кто подскажет от куда и куда и какого цвета провода идут к датчику ?
Заранее спасибо !

Аватара пользователя
Max_rulez
Мастер
Сообщения: 613
Зарегистрирован: 17.12.2011 18:09
Город: Minsk
Сейчас езжу на: W211 E280 T CDI

Re: Датчик наружной температуры воздуха

Сообщение Max_rulez » 16.06.2013 21:57

косу разматывал которая на противотуманку идет?

kir_f
Новичок
Сообщения: 9
Зарегистрирован: 14.04.2013 09:25
Город: Minsk
Сейчас езжу на: C220/ w203

Re: Датчик наружной температуры воздуха

Сообщение kir_f » 17.06.2013 10:59

и её !

kir_f
Новичок
Сообщения: 9
Зарегистрирован: 14.04.2013 09:25
Город: Minsk
Сейчас езжу на: C220/ w203

Re: Датчик наружной температуры воздуха

Сообщение kir_f » 24.06.2013 15:42

up/

Аватара пользователя
sidney
Мастер
Сообщения: 2905
Зарегистрирован: 02.12.2009 19:19
Город: Север
Сейчас езжу на: S203 CDI + W168 CDI
Благодарил (а): 1 раз
Поблагодарили: 48 раз

Re: Датчик наружной температуры воздуха

Сообщение sidney » 24.06.2013 16:08

Желательно бы ВИН при подобных вопросах указывать, это очень сильно помогает дать однозначный правильный ответ.
Нам нужен мир, и желательно весь.

Аватара пользователя
sidney
Мастер
Сообщения: 2905
Зарегистрирован: 02.12.2009 19:19
Город: Север
Сейчас езжу на: S203 CDI + W168 CDI
Благодарил (а): 1 раз
Поблагодарили: 48 раз

Re: Датчик наружной температуры воздуха

Сообщение sidney » 24.06.2013 16:48

P.S. Если я ничего не путаю и машина действительно W203 2002 года выпуска, то сигнал с датчика температуры приходит на передний блок SAM следующим образом:

- с 1-го пина разъема датчика температуры на 6-й разъем переднего SAMa, контакт 27 (зеленый провод)
- со 2-го пина разъема датчика температуры на 6-й разъем переднего SAMa, контакт 17 (коричневый провод)

Но нужен VIN
Нам нужен мир, и желательно весь.

Аватара пользователя
witales
Гуру
Сообщения: 305
Зарегистрирован: 06.07.2011 14:51
Город: Минск
Сейчас езжу на: RRS TDV8

Re: Датчик наружной температуры воздуха

Сообщение witales » 24.06.2013 17:01

Подскажите, где датчик в W209 стоит? Есть предположение, что его куда-то не туда засунули: зимой при езде по лесу показывал +5, когда на улице было около -20. Да и сейчас может показывать под 40, когда на улице 27-30.

Аватара пользователя
Max_rulez
Мастер
Сообщения: 613
Зарегистрирован: 17.12.2011 18:09
Город: Minsk
Сейчас езжу на: W211 E280 T CDI

Re: Датчик наружной температуры воздуха

Сообщение Max_rulez » 24.06.2013 17:08

в решетке бампера. внизу слева по ходу. была похожая проблемка, когда он завалился во внутрь и грелся от мотора.

juzzleee
Новичок
Сообщения: 6
Зарегистрирован: 14.11.2013 07:57
Город: Saint P
Сейчас езжу на: w203

Re: Датчик наружной температуры воздуха

Сообщение juzzleee » 14.11.2013 08:13

подскажите как найти концы от датчика на w203 2002 год выпуска
Купил авто. у предыдущего хозяина она видать была бита в перед , бампер явно не родной и проводка кинута новая на туманку а на дачик её нету, из-за этого не включается обогрев зеркал. На приборке постоянно +85 градусов.
Подскажите как решить такую проблему

Аватара пользователя
Gonza
Mercedes-Club Group
Сообщения: 5846
Зарегистрирован: 24.07.2008 00:51
Город: Минск
Сейчас езжу на: GLK350 CDI
Благодарил (а): 10 раз
Поблагодарили: 78 раз
Контактная информация:

Re: Датчик наружной температуры воздуха

Сообщение Gonza » 14.11.2013 12:09

juzzleee писал(а):подскажите как найти концы от датчика на w203 2002 год выпуска
Купил авто. у предыдущего хозяина она видать была бита в перед , бампер явно не родной и проводка кинута новая на туманку а на дачик её нету, из-за этого не включается обогрев зеркал. На приборке постоянно +85 градусов.
Подскажите как решить такую проблему
проводка должна быть за передним бампером справа
------------------------------------
Клубный СЕРВИС

Я не участвую в социальных сетях!
Через вайбер, скайп и тэдэ, советов по ремонту не даю!
Пожалейте свое время. Телефон придумали в 1876 году! Пользуйтесь.

juzzleee
Новичок
Сообщения: 6
Зарегистрирован: 14.11.2013 07:57
Город: Saint P
Сейчас езжу на: w203

Re: Датчик наружной температуры воздуха

Сообщение juzzleee » 14.11.2013 12:26

Gonza писал(а):
juzzleee писал(а):подскажите как найти концы от датчика на w203 2002 год выпуска
Купил авто. у предыдущего хозяина она видать была бита в перед , бампер явно не родной и проводка кинута новая на туманку а на дачик её нету, из-за этого не включается обогрев зеркал. На приборке постоянно +85 градусов.
Подскажите как решить такую проблему
проводка должна быть за передним бампером справа
снял бампер там только на туманку идёт проводка.
Мне интересно откуда запитан был датчик ? думаю нужно новый кабель так же класть... вот только откуда брать концы

Аватара пользователя
sidney
Мастер
Сообщения: 2905
Зарегистрирован: 02.12.2009 19:19
Город: Север
Сейчас езжу на: S203 CDI + W168 CDI
Благодарил (а): 1 раз
Поблагодарили: 48 раз

Re: Датчик наружной температуры воздуха

Сообщение sidney » 14.11.2013 14:39

ВИН какой?

А вообще для 203-го 2002года я вверху писал
sidney писал(а):P.S. Если я ничего не путаю и машина действительно W203 2002 года выпуска, то сигнал с датчика температуры приходит на передний блок SAM следующим образом:

- с 1-го пина разъема датчика температуры на 6-й разъем переднего SAMa, контакт 27 (зеленый провод)
- со 2-го пина разъема датчика температуры на 6-й разъем переднего SAMa, контакт 17 (коричневый провод)

Но нужен VIN
Нам нужен мир, и желательно весь.

juzzleee
Новичок
Сообщения: 6
Зарегистрирован: 14.11.2013 07:57
Город: Saint P
Сейчас езжу на: w203

Re: Датчик наружной температуры воздуха

Сообщение juzzleee » 14.11.2013 16:06

sidney писал(а):ВИН какой?

А вообще для 203-го 2002года я вверху писал
sidney писал(а):P.S. Если я ничего не путаю и машина действительно W203 2002 года выпуска, то сигнал с датчика температуры приходит на передний блок SAM следующим образом:

- с 1-го пина разъема датчика температуры на 6-й разъем переднего SAMa, контакт 27 (зеленый провод)
- со 2-го пина разъема датчика температуры на 6-й разъем переднего SAMa, контакт 17 (коричневый провод)

Но нужен VIN
WDB2030451F125062 - вин

А сам блок где находиться

Аватара пользователя
sidney
Мастер
Сообщения: 2905
Зарегистрирован: 02.12.2009 19:19
Город: Север
Сейчас езжу на: S203 CDI + W168 CDI
Благодарил (а): 1 раз
Поблагодарили: 48 раз

Re: Датчик наружной температуры воздуха

Сообщение sidney » 14.11.2013 16:45

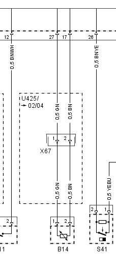
В моторном отсеке, в нише, слева. С правой стороны в такой же нише стоит аккумулятор, а вот слева - передний САМ
Все написанное вверху верно и для вас тоже. Ищите куда уходят зеленый и коричневый провод с шестого разъема с указанных пинов и где обрываются
Схема внизу, в вашем случае то, что обведено пунктирной линией с надписью U425 можно проигнорировать.
Вложения
11-14-2013 4-38-54 PM.png
Нам нужен мир, и желательно весь.

juzzleee
Новичок
Сообщения: 6
Зарегистрирован: 14.11.2013 07:57
Город: Saint P
Сейчас езжу на: w203

Re: Датчик наружной температуры воздуха

Сообщение juzzleee » 14.11.2013 16:56

sidney писал(а):В моторном отсеке, в нише, слева. С правой стороны в такой же нише стоит аккумулятор, а вот слева - передний САМ
Все написанное вверху верно и для вас тоже. Ищите куда уходят зеленый и коричневый провод с шестого разъема с указанных пинов и где обрываются
Схема внизу, в вашем случае то, что обведено пунктирной линией с надписью U425 можно проигнорировать.
я так полагаю это с программы "WIS" схема?
Не могли бы подсказать где найти на неё ключ

juzzleee
Новичок
Сообщения: 6
Зарегистрирован: 14.11.2013 07:57
Город: Saint P
Сейчас езжу на: w203

Re: Датчик наружной температуры воздуха

Сообщение juzzleee » 14.11.2013 19:59

sidney писал(а):В моторном отсеке, в нише, слева. С правой стороны в такой же нише стоит аккумулятор, а вот слева - передний САМ
Все написанное вверху верно и для вас тоже. Ищите куда уходят зеленый и коричневый провод с шестого разъема с указанных пинов и где обрываются
Схема внизу, в вашем случае то, что обведено пунктирной линией с надписью U425 можно проигнорировать.
Ещё такой вопрос не подскажешь какое сопротивление на том датчике ?
У меня есть датчик с другого авто с сопротивлением 4кОм и 8кОм есть смысл их ставить или лучше купить новый ?

Аватара пользователя
sidney
Мастер
Сообщения: 2905
Зарегистрирован: 02.12.2009 19:19
Город: Север
Сейчас езжу на: S203 CDI + W168 CDI
Благодарил (а): 1 раз
Поблагодарили: 48 раз

Re: Датчик наружной температуры воздуха

Сообщение sidney » 14.11.2013 20:40

Да смысл искать приключения с чужим датчиком, если новый стоит 20EUR, а заменители еще наполовину дешевле? Потом на приборке будет температура плюс/минус лапоть..
Ключ к ВИСу лежит обычно в том месте, где лежит и сам ВИС. Генератор где-то был, но ни разу им пользовался, даже точно не что для него надо (МАС адрес вроде)
Нам нужен мир, и желательно весь.

juzzleee
Новичок
Сообщения: 6
Зарегистрирован: 14.11.2013 07:57
Город: Saint P
Сейчас езжу на: w203

Re: Датчик наружной температуры воздуха

Сообщение juzzleee » 14.11.2013 20:45

sidney писал(а):Да смысл искать приключения с чужим датчиком, если новый стоит 20EUR, а заменители еще наполовину дешевле? Потом на приборке будет температура плюс/минус лапоть..
Ключ к ВИСу лежит обычно в том месте, где лежит и сам ВИС. Генератор где-то был, но ни разу им пользовался, даже точно не что для него надо (МАС адрес вроде)
А номер запчасти можешь подсказать по каталогу?

Аватара пользователя
sidney
Мастер
Сообщения: 2905
Зарегистрирован: 02.12.2009 19:19
Город: Север
Сейчас езжу на: S203 CDI + W168 CDI
Благодарил (а): 1 раз
Поблагодарили: 48 раз

Re: Датчик наружной температуры воздуха

Сообщение sidney » 14.11.2013 21:15

A0075421318
Нам нужен мир, и желательно весь.

Ответить