Холодный запуск и Webasto

W123, W124, W210, W211

Модератор: Gonza

Правила форума
Внимание!
В этом разделе общаемся только по техническим вопросам для Mercedes-Benz E-class
Аватара пользователя
Gonza
Mercedes-Club Group
Сообщения: 5851
Зарегистрирован: 24.07.2008 00:51
Город: Минск
Сейчас езжу на: GLK350 CDI
Благодарил (а): 10 раз
Поблагодарили: 78 раз
Контактная информация:

Холодный запуск и Webasto

Сообщение Gonza » 14.01.2010 13:00

Джентлмены!

Я заметил у себя мягко говоря "странноватую особенность" при холодном запуске:
1. если с утра работала вебаста, то запуск - только со второго тыка ключем + очень кратковременное троение (невсегда)
2. если вебасту с утра не включать - усе гуд, запуск с первого тыка

А все должно быть с точностью до наоборот
Я в легком шоке :sh_ok:

У кого мотор CDI + климат + установлена автономная Webasto, помогите с экспериментом для установления истины.
Предпосылки:
1. Ваше желание помочь
2. Полностью остывшая машине, лучше всего с утра
3. Хороший аккумулятор
4. Минимум половина бака топлива (желательно без "добавок")

Что интересует и как действовать:
Тест №1
1. на полностью холодном моторе включаем зажигание
2. Снимаем и записываем показания температуры в салоне
3. Снимаем и записываем показания температуры ОЖ
4. Снимаем и записываем показания вольтажа аккума
5. Выключаем зажигание
6. Включаем вебасту на 30 минут
7. повторяем пункты 2-4
8. заводим авто

Тест №2 (на следующее утро)
1. на полностью холодном моторе включаем зажигание
2. Снимаем и записываем показания температуры в салоне
3. Снимаем и записываем показания температуры ОЖ
4. Снимаем и записываем показания вольтажа аккума
5. заводим авто

Все полученные данные кидаем в эту тему в виде.
-- ===================================================
Дата:
Тип двигателя: 200, 220, 270, 320, 400
Тест1:
до вебасты: [тептертура салона],[температура ОЖ],[аккум]
после вебасты: [тептертура салона],[температура ОЖ],[аккум]
Тест2:
[тептертура салона],[температура ОЖ],[аккум]
и описываем свои "ощущения" при запуске для обоих случаев
-- ===================================================

Кто не знает как вывести данные на блок климата, то читаем Климат-контроль. Диагностика своими силами
Документ - "Действительные значения"

ЗЫ. Как побочный эффект эксперимента, Вы узнаете эффективность работы Вашей вебасты :)
------------------------------------
Клубный СЕРВИС

Я не участвую в социальных сетях!
Через вайбер, скайп и тэдэ, советов по ремонту не даю!
Пожалейте свое время. Телефон придумали в 1876 году! Пользуйтесь.

Аватара пользователя
johnny 4matic
Гуру
Сообщения: 354
Зарегистрирован: 01.12.2009 17:59
Город: Минск
Сейчас езжу на: GL X164 320 CDI

Re: Холодный запуск и Webasto

Сообщение johnny 4matic » 14.01.2010 16:38

Гена, у меня бензинка, и такая же шняга наблюдалась один раз как ты описал.
Известное известно немногим. \ Аристотель\

6A3AP

Re: Холодный запуск и Webasto

Сообщение 6A3AP » 14.01.2010 17:13

Gonza ты когда на горячую заводишь педаль газу не трогаешь?

Аватара пользователя
Gonza
Mercedes-Club Group
Сообщения: 5851
Зарегистрирован: 24.07.2008 00:51
Город: Минск
Сейчас езжу на: GLK350 CDI
Благодарил (а): 10 раз
Поблагодарили: 78 раз
Контактная информация:

Re: Холодный запуск и Webasto

Сообщение Gonza » 14.01.2010 23:21

6A3AP писал(а):Gonza ты когда на горячую заводишь педаль газу не трогаешь?
Даже в машину не сажусь
------------------------------------
Клубный СЕРВИС

Я не участвую в социальных сетях!
Через вайбер, скайп и тэдэ, советов по ремонту не даю!
Пожалейте свое время. Телефон придумали в 1876 году! Пользуйтесь.

Аватара пользователя
Gonza
Mercedes-Club Group
Сообщения: 5851
Зарегистрирован: 24.07.2008 00:51
Город: Минск
Сейчас езжу на: GLK350 CDI
Благодарил (а): 10 раз
Поблагодарили: 78 раз
Контактная информация:

Re: Холодный запуск и Webasto

Сообщение Gonza » 15.01.2010 10:23

johnny 4matic писал(а):Гена, у меня бензинка, и такая же шняга наблюдалась один раз как ты описал.
От это новость!
Думал это свойственно только дизелькам!
Буду думать.
------------------------------------
Клубный СЕРВИС

Я не участвую в социальных сетях!
Через вайбер, скайп и тэдэ, советов по ремонту не даю!
Пожалейте свое время. Телефон придумали в 1876 году! Пользуйтесь.

Аватара пользователя
Kuznechik
Студент
Сообщения: 128
Зарегистрирован: 07.12.2009 19:54
Город: Москва
Сейчас езжу на: 211

Re: Холодный запуск и Webasto

Сообщение Kuznechik » 15.01.2010 19:18

А может,когда соляра сосётся на вебасту,образуется некая завоздушенность непосредственно перед топливной системой??? От того и второй тык,и лёгкое подтраивание. Это просто моё мнение,а не руководство к действию,но считаю,что мысль эта имеет право на жизнь.Как вариант причины появления завоздушенности,могу предположить,что гдето возле насоса (или фильтра),есть слабинка :du_ma_et:
P.S.Повторюсь,в этой системе я практически не шарю,могу лишь предполагать принцип её работы,соответственно и мысль примитивна,основана чисто на физике и механике,+ небольшой личный опыт.
Есть ещё одна мысль,теоретическая.От бака топливо к движку и к вебасте поступает по одной "трубке",значит логично,что где-то под капотом есть тройник,так вот этот тройник может быть с клапанком,который и регулирует подачу топлива...

Аватара пользователя
Gonza
Mercedes-Club Group
Сообщения: 5851
Зарегистрирован: 24.07.2008 00:51
Город: Минск
Сейчас езжу на: GLK350 CDI
Благодарил (а): 10 раз
Поблагодарили: 78 раз
Контактная информация:

Re: Холодный запуск и Webasto

Сообщение Gonza » 15.01.2010 22:44

Kuznechik писал(а): ...
Есть ещё одна мысль,теоретическая.От бака топливо к движку и к вебасте поступает по одной "трубке",значит логично,что где-то под капотом есть тройник,так вот этот тройник может быть с клапанком,который и регулирует подачу топлива...
Твои бы слова да богу в уши!
Так было бы слишком просто ...
Но ... к сожалению топливопроводы у них разные. :a_g_a:
Топливный насос вебасты "тянет" топливо прямо из бака :cry_ing:
------------------------------------
Клубный СЕРВИС

Я не участвую в социальных сетях!
Через вайбер, скайп и тэдэ, советов по ремонту не даю!
Пожалейте свое время. Телефон придумали в 1876 году! Пользуйтесь.

6A3AP

Re: Холодный запуск и Webasto

Сообщение 6A3AP » 17.01.2010 19:05

Ввиду того что нагрев вебастой идет только ОЖ и как следствие неравномерным прогревом двигателя(масло в картере остается холодное) возможно как то это влияет на показания датчика Т от которых мозги задают неверный(несоотвествующий) алгоритм работы сразу после запуска. Например, впервые секунды после запуска холодное масло резко снижает Т двигателя, а мозги в свою очередь льют форсунками под якобы горячую голову, оно то понятно что все это там долисекунды занимает.

Но думаю стоит попробовать померять как меняется R датчика T в голове в 2 случаях:
1)при заводе на прогретом например до 50 моторе в обычном режиме
2)при заводе на прогретом до тех же 50 но только вебастой

Аватара пользователя
johnny 4matic
Гуру
Сообщения: 354
Зарегистрирован: 01.12.2009 17:59
Город: Минск
Сейчас езжу на: GL X164 320 CDI

Re: Холодный запуск и Webasto

Сообщение johnny 4matic » 20.01.2010 09:31

6A3AP писал(а):Ввиду того что нагрев вебастой идет только ОЖ и как следствие неравномерным прогревом двигателя(масло в картере остается холодное) возможно как то это влияет на показания датчика Т от которых мозги задают неверный(несоотвествующий) алгоритм работы сразу после запуска. Например, впервые секунды после запуска холодное масло резко снижает Т двигателя, а мозги в свою очередь льют форсунками под якобы горячую голову, оно то понятно что все это там долисекунды занимает.

Но думаю стоит попробовать померять как меняется R датчика T в голове в 2 случаях:
1)при заводе на прогретом например до 50 моторе в обычном режиме
2)при заводе на прогретом до тех же 50 но только вебастой
Мне кажется в твоих словах Володя есть доля правды. Потому что когда я поворачиваю ключ в зажигании, то температура охл жидкости около 40. Как только стартер масланул , температура резко падает.
Известное известно немногим. \ Аристотель\

Аватара пользователя
Gonza
Mercedes-Club Group
Сообщения: 5851
Зарегистрирован: 24.07.2008 00:51
Город: Минск
Сейчас езжу на: GLK350 CDI
Благодарил (а): 10 раз
Поблагодарили: 78 раз
Контактная информация:

Re: Холодный запуск и Webasto

Сообщение Gonza » 20.01.2010 12:40

johnny 4matic писал(а):
6A3AP писал(а):Ввиду того что нагрев вебастой идет только ОЖ и как следствие неравномерным прогревом двигателя(масло в картере остается холодное) возможно как то это влияет на показания датчика Т от которых мозги задают неверный(несоотвествующий) алгоритм работы сразу после запуска. Например, впервые секунды после запуска холодное масло резко снижает Т двигателя, а мозги в свою очередь льют форсунками под якобы горячую голову, оно то понятно что все это там долисекунды занимает.

Но думаю стоит попробовать померять как меняется R датчика T в голове в 2 случаях:
1)при заводе на прогретом например до 50 моторе в обычном режиме
2)при заводе на прогретом до тех же 50 но только вебастой
Мне кажется в твоих словах Володя есть доля правды. Потому что когда я поворачиваю ключ в зажигании, то температура охл жидкости около 40. Как только стартер масланул , температура резко падает.
Джентельмены!
Я Вас сча сильно огорчу, но ... до температуры ОЖ 55 градусов, вебаста "греет" только салон!
Серега, именно поэтому, когда авто завелось температура ОЖ резко (сам поверял - градусов на 10-15) понижается. Все что нагрела вебаста, начинает поступать в мотор, т.е. смешиваться с ОЖ температура которой приблизительно равна температуре за бортом.

Вот такая экибана получается!

Так что, связь вебасты с утренней заводкой пока не решена.
------------------------------------
Клубный СЕРВИС

Я не участвую в социальных сетях!
Через вайбер, скайп и тэдэ, советов по ремонту не даю!
Пожалейте свое время. Телефон придумали в 1876 году! Пользуйтесь.

6A3AP

Re: Холодный запуск и Webasto

Сообщение 6A3AP » 20.01.2010 12:55

Gonza откуда у тебя на 3,2 забирается и отдается ОЖ до и после вебасты?

Аватара пользователя
Gonza
Mercedes-Club Group
Сообщения: 5851
Зарегистрирован: 24.07.2008 00:51
Город: Минск
Сейчас езжу на: GLK350 CDI
Благодарил (а): 10 раз
Поблагодарили: 78 раз
Контактная информация:

Re: Холодный запуск и Webasto

Сообщение Gonza » 20.01.2010 12:58

6A3AP писал(а):Gonza откуда у тебя на 3,2 забирается и отдается ОЖ до и после вебасты?
Что-то я не совсем понял вопрос?
Ты хочешь схему обогрева или не веришь, что вебаста греет только салон?
------------------------------------
Клубный СЕРВИС

Я не участвую в социальных сетях!
Через вайбер, скайп и тэдэ, советов по ремонту не даю!
Пожалейте свое время. Телефон придумали в 1876 году! Пользуйтесь.


Аватара пользователя
Gonza
Mercedes-Club Group
Сообщения: 5851
Зарегистрирован: 24.07.2008 00:51
Город: Минск
Сейчас езжу на: GLK350 CDI
Благодарил (а): 10 раз
Поблагодарили: 78 раз
Контактная информация:

Re: Холодный запуск и Webasto

Сообщение Gonza » 20.01.2010 13:51

6A3AP писал(а):Да, хочу схему обогрева.
По глазам вижу не веришь, что только салон :ni_zia:
смотри личку
------------------------------------
Клубный СЕРВИС

Я не участвую в социальных сетях!
Через вайбер, скайп и тэдэ, советов по ремонту не даю!
Пожалейте свое время. Телефон придумали в 1876 году! Пользуйтесь.

Аватара пользователя
sidney
Мастер
Сообщения: 2909
Зарегистрирован: 02.12.2009 19:19
Город: Север
Сейчас езжу на: S203 CDI + W168 CDI
Благодарил (а): 1 раз
Поблагодарили: 48 раз

Re: Холодный запуск и Webasto

Сообщение sidney » 20.01.2010 19:36

Gonza писал(а): Джентельмены!
Я Вас сча сильно огорчу, но ... до температуры ОЖ 55 градусов, вебаста "греет" только салон!
Gonza, я если честно, немного не вкурил. Целых два вопроса!
1) Справедливо ли выше сказанное и для W168 кузова тоже?
2) Планировал в каком-нить будущем апгрейд до автономной вебасты у себя. Апгрейд планировался исключительно с точки зрения легкости запуска дизельного мотора в морозы. С точки зрения личного комфорта (приходишь и садишься в теплую машину) апгрейд не рассматривал, перетопчусь 10 минут и в холодной, не околею. По вышенаписанному получается, что есть автономная вебаста или ее нет - мотору пофиг, он в обоих случаях запускаться будет так, как будто нет никакого отопителя. Я правильно понял или что-то напутал?
Нам нужен мир, и желательно весь.

Аватара пользователя
Gonza
Mercedes-Club Group
Сообщения: 5851
Зарегистрирован: 24.07.2008 00:51
Город: Минск
Сейчас езжу на: GLK350 CDI
Благодарил (а): 10 раз
Поблагодарили: 78 раз
Контактная информация:

Re: Холодный запуск и Webasto

Сообщение Gonza » 21.01.2010 09:43

sidney писал(а):
Gonza писал(а): Джентельмены!
Я Вас сча сильно огорчу, но ... до температуры ОЖ 55 градусов, вебаста "греет" только салон!
Gonza, я если честно, немного не вкурил. Целых два вопроса!
1) Справедливо ли выше сказанное и для W168 кузова тоже?
2) Планировал в каком-нить будущем апгрейд до автономной вебасты у себя. Апгрейд планировался исключительно с точки зрения легкости запуска дизельного мотора в морозы. С точки зрения личного комфорта (приходишь и садишься в теплую машину) апгрейд не рассматривал, перетопчусь 10 минут и в холодной, не околею. По вышенаписанному получается, что есть автономная вебаста или ее нет - мотору пофиг, он в обоих случаях запускаться будет так, как будто нет никакого отопителя. Я правильно понял или что-то напутал?
Вопрос конечно интересный!
Но если я тебе на него начну отвечать, то сам нарушу Правила форума и товарищи меня будут "гнобить" :a_g_a:
Поэтому про A-class ответ и продолжение разговора тут - Автономный подогреватель в CDI Ашках
------------------------------------
Клубный СЕРВИС

Я не участвую в социальных сетях!
Через вайбер, скайп и тэдэ, советов по ремонту не даю!
Пожалейте свое время. Телефон придумали в 1876 году! Пользуйтесь.

6A3AP

Re: Холодный запуск и Webasto

Сообщение 6A3AP » 21.01.2010 14:07

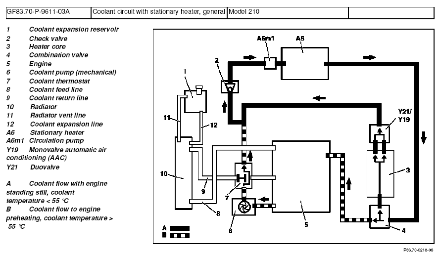
В общем в Е-шке с мотором 3,2 действительно ОЖ подогреваемое автономной вебастой ходит минуя двигатель.
Вложения
w.gif

Аватара пользователя
Gonza
Mercedes-Club Group
Сообщения: 5851
Зарегистрирован: 24.07.2008 00:51
Город: Минск
Сейчас езжу на: GLK350 CDI
Благодарил (а): 10 раз
Поблагодарили: 78 раз
Контактная информация:

Re: Холодный запуск и Webasto

Сообщение Gonza » 22.01.2010 11:00

6A3AP писал(а):В общем в Е-шке с мотором 3,2 действительно ОЖ подогреваемое автономной вебастой ходит минуя двигатель.
Володя!
Большая просьба, если ты и дальше будешь подтверждать, то что я уже написал, то плз пиши ВСЮ правду!
А то "неокрепшие умы" комрадов, подумают, что Гена, Игорь и Серега4матик купили хреновые автосы!

А правда - она в следующем:
1. Автономная вебаста - предназначена для того, чтобы быстро прогреть салон.
2. Греет она его - "мама не горюй", за 20-30 минут температура салона 20 градусов при температуре среды -20.
3. Обогрев салона продолжается до температуры ОЖ в своем контуре +55.
4. После температуры ОЖ +55 градусов, открывается клапан №4 (на твоем рисунке) и автономная вебаста начинает греть и двигатель!

А для тех, кому прет быстро разогреть двигатель - есть у Mercedes-Benz другие прибамбасы!

Так что Гена, Игорь и Серега4матик - купили афигенные автосы :ya_hoo_oo: :ti_pa: :dan_ser:

ЗЫ. Кстати. Те кто переделает дополнительную подогреватель в автономный - не надо ожидать от этой системы чудес!
По моим прикидкам - вы будете греть весь контур ОЖ намного дольше. Т.к. в холодном состоянии ваш двигатель - это мегахолодильник! Меня поймет тот, кто видел ГБЦ в разобранном виде!
Ну прикиньте, разве на Daimler работают идиоты, которые бы не сделали подогрев двигателя автономной вебастой, если бы все было "зер гут"? :a_g_a:
------------------------------------
Клубный СЕРВИС

Я не участвую в социальных сетях!
Через вайбер, скайп и тэдэ, советов по ремонту не даю!
Пожалейте свое время. Телефон придумали в 1876 году! Пользуйтесь.

Аватара пользователя
Gonza
Mercedes-Club Group
Сообщения: 5851
Зарегистрирован: 24.07.2008 00:51
Город: Минск
Сейчас езжу на: GLK350 CDI
Благодарил (а): 10 раз
Поблагодарили: 78 раз
Контактная информация:

Re: Холодный запуск и Webasto

Сообщение Gonza » 22.01.2010 11:14

Предлагаю всем вернуться к начальной теме!
Устроили тут оффтопик :po_zor: и меня втянули :men:

Кто напишет еще хоть строчку про преимущества или недостатки различных вебаст - предупреждение!
------------------------------------
Клубный СЕРВИС

Я не участвую в социальных сетях!
Через вайбер, скайп и тэдэ, советов по ремонту не даю!
Пожалейте свое время. Телефон придумали в 1876 году! Пользуйтесь.

Аватара пользователя
Kuznechik
Студент
Сообщения: 128
Зарегистрирован: 07.12.2009 19:54
Город: Москва
Сейчас езжу на: 211

Re: Холодный запуск и Webasto

Сообщение Kuznechik » 07.02.2010 20:05

Обнаружилась похожая странность,но скорее она связана с другой проблемой.Если работала Webasto,индикатор свечей накала гаснет быстро,а на улице -20,и при заводке 3-5 секунд подтраивание. Если же не работала,лампочка горит как обычно(подольше),и соответственно заводится толково. Или же при работавшей Webasto,нагреваю свечи 2-3 раза,в зависимости от температуры за бортом,и тогда то же заводка нормальная :nez-nayu:

Ответить