Перфорированые тормозные диски

W201 (190), W202, W203, W204

Модератор: Gonza

Правила форума
Внимание!
В этом разделе общаемся только по техническим вопросам для Mercedes-Benz C-class
Ответить
Аватара пользователя
sidor
Мастер
Сообщения: 579
Зарегистрирован: 03.08.2013 12:53
Город: Минск
Сейчас езжу на: W202 С220 CDI
Откуда: Минск
Контактная информация:

Перфорированые тормозные диски

Сообщение sidor » 03.08.2013 16:41

Всем привет. Принимайте новенького...
Недавно приобрел машинку, сменил все расходники. Остался вопрос по тормозной системе.
Хочу поменять тормозные диски штатные на перфорированые ATE и колодки керамика соответственно.
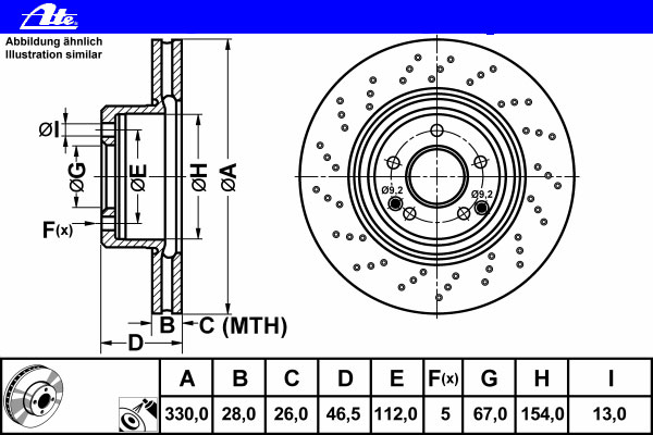
перфорированные тормозные диски ATE
перфорированные тормозные диски ATE
Господа, кто ставил такие роторы, поделитесь впечатлениями плиз.
Как много нам открытий чудных готовит просвещения дух...

6A3AP

Re: Перфорированые тормозные диски

Сообщение 6A3AP » 03.08.2013 22:23

Диски больше для гламура. Колодки на холодную тормозят хуже штатных и раза в 2 сильнее точат диски.
На 203-ем со 112-ым мотором идут превосходные тормоза и их хватает.

Аватара пользователя
sidor
Мастер
Сообщения: 579
Зарегистрирован: 03.08.2013 12:53
Город: Минск
Сейчас езжу на: W202 С220 CDI
Откуда: Минск
Контактная информация:

Re: Перфорированые тормозные диски

Сообщение sidor » 04.08.2013 00:37

6A3AP писал(а):Диски больше для гламура. Колодки на холодную тормозят хуже штатных и раза в 2 сильнее точат диски.
На 203-ем со 112-ым мотором идут превосходные тормоза и их хватает.
Спасибо. Но понимаете, с моей манерой езды лично меня штатные не устраивают, поэтому и спрашиваю. На предыдущих моих авто ранее ставил перфорацию с керамикой. Правда опыт только по американцам, кто еще что может сказать по поводу ATE ?
Как много нам открытий чудных готовит просвещения дух...

6A3AP

Re: Перфорированые тормозные диски

Сообщение 6A3AP » 04.08.2013 21:01

А где гарантия что у вас сейчас стоит хотя бы штатные АТЕ, а не комплект говняного LPR?

cound-floyd
Новичок
Сообщения: 4
Зарегистрирован: 02.12.2013 16:11
Город: Минск
Сейчас езжу на: c203 1.8C

Re: Перфорированые тормозные диски

Сообщение cound-floyd » 09.02.2014 21:29

подскажите - по вину передние торм. диски 288mm (203 421 03 12), можно ли поставить 300mm (203 421 05 12) без замены скобы?

Аватара пользователя
sidor
Мастер
Сообщения: 579
Зарегистрирован: 03.08.2013 12:53
Город: Минск
Сейчас езжу на: W202 С220 CDI
Откуда: Минск
Контактная информация:

Re: Перфорированые тормозные диски

Сообщение sidor » 15.04.2014 23:07

Итак, пролетал я на штатных не знаю что дисках и колодках TRW акурат 20 000 км. после замены колодок.
Эффект износа присутствует налицо. Колодки спилены на 70% ДИСКИ имеют кант почти 2 мм.
Диски имеют ровный износ с обеих сторон.
Купил новые колодки проточу диски и опять полетели...
Не смотря на мою агрессивную езду и лужи, диски не повело, и они еще 10-20 тыс пробегают, но я уже твердо решил, что перфорация есть перфорация и это все же лучше чем стандарты от производителя....
Как много нам открытий чудных готовит просвещения дух...

Аватара пользователя
SPuRS
Мастер
Сообщения: 556
Зарегистрирован: 21.02.2010 23:05
Город: местное болото
Сейчас езжу на: -на-на,тра-ла-ла

Re: Перфорированые тормозные диски

Сообщение SPuRS » 16.04.2014 11:45

sidor писал(а):Итак, пролетал я на штатных не знаю что дисках и колодках TRW акурат 20 000 км. после замены колодок.
Эффект износа присутствует налицо. Колодки спилены на 70% ДИСКИ имеют кант почти 2 мм.
Диски имеют ровный износ с обеих сторон.
Купил новые колодки проточу диски и опять полетели...
Не смотря на мою агрессивную езду и лужи, диски не повело, и они еще 10-20 тыс пробегают, но я уже твердо решил, что перфорация есть перфорация и это все же лучше чем стандарты от производителя....
Диски меняются согласно таблице износа а не на глаз, Гонза где то таблицу выкладывал. Себе менял передние штатные 330мм на такие же перфорированые. На штатных оригинальных дисках машина 80тык прошла. На перфорированных АТЕ пока 20тык, вопросов нет. Разница только во внешнем выгляде :-).

Аватара пользователя
sidney
Мастер
Сообщения: 2909
Зарегистрирован: 02.12.2009 19:19
Город: Север
Сейчас езжу на: S203 CDI + W168 CDI
Благодарил (а): 1 раз
Поблагодарили: 48 раз

Re: Перфорированые тормозные диски

Сообщение sidney » 16.04.2014 12:32

SPuRS писал(а): Разница только во внешнем выгляде :-).
А в цене?
Нам нужен мир, и желательно весь.

Аватара пользователя
SPuRS
Мастер
Сообщения: 556
Зарегистрирован: 21.02.2010 23:05
Город: местное болото
Сейчас езжу на: -на-на,тра-ла-ла

Re: Перфорированые тормозные диски

Сообщение SPuRS » 17.04.2014 00:54

sidney писал(а):
SPuRS писал(а): Разница только во внешнем выгляде :-).
А в цене?
На тридцатник дороже были

Ответить